網站公告:歡迎來到河北光科測控設備有限公司!公司主營:伺服液位計、磁翻板液位計、磁致伸縮液位計、雷達液位計、音叉液位開關等液位儀表。

GKYWG-60XⅠ罐旁顯示儀又叫通用現場遠傳變送器顯示儀,是由河北光科測控設備有限公司研制開發出的防爆顯示儀表。通過微處理器為核心高集成度電路,準確的計算出現場液位、溫度、壓力等標準信號的數值并顯示出來,可安裝在現場或者控制室任何區域,方便安裝在現場裝置區高溫、有毒、易燃的工業現場環境,主要用于石油化工、電力、醫藥、消防等行業。
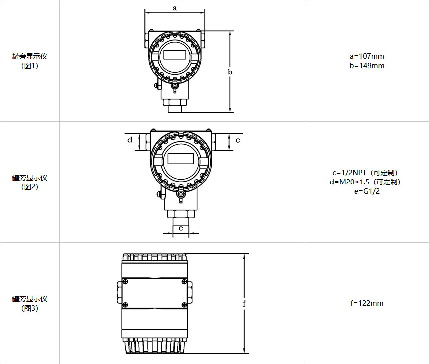
防爆殼體設計可以用于各種工業現場(已經通過國家防爆認證)
安全等級為SIL3、可以用在各種環境
不需要外加電源,接線方便直接串入4-20mA回路即可實現測量
液晶顯示帶綠色背光燈方便在晚上觀看數據
實用范圍:磁致伸縮液位計、雷達液位計、溫度變送器、壓力變送器、氣體報警器等模擬 量標準信號的儀表
精度:0.1%
線制:兩線制
顯示方式:液晶顯示四位半顯示
報警功能:可以設置兩個報警點,低于下限或高于上限報警,閃爍顯示
修正功能:顯示量程及小數點修正功能
環境溫度:-40℃ -80℃
防護等級:IP68
防爆標志 : ExdII+H2 T6GB ExdIICT6
過程連接:G1/2 或標準支架




1、箭頭1接線4-20mA,進線。
2、箭頭2接線4-20mA,出線。

實例:GKYWG-60XⅠ罐旁顯示儀,A代表,A代表帶支架,A代表液位, A代表內銷ZL代表銷售人員為張亮。
上一篇:沒有了!
下一篇:GKYWG-60XⅡ罐旁顯示儀