網站公告:歡迎來到河北光科測控設備有限公司!公司主營:伺服液位計、磁翻板液位計、磁致伸縮液位計、雷達液位計、音叉液位開關等液位儀表。

GKYWG-60XIV罐旁顯示儀又叫通用罐旁開關量控制器,此產品具有4-20mA信號轉換出開關量功能,是由河北光科測控設備有限公司開發研制出的防爆顯示儀表。通過微處理器為核心高集成度電路,準確的計算現場液位、溫度、壓力、流量、密度、等標準數字信號的數值并顯示出來并且帶有開關量輸出信號,可安裝在現場或者控制室任何區域,方便安裝在現場裝置區高溫、有毒、易燃的工業現場環境,主要用于石油化工場所、電力、醫藥、消防等行業。
防爆殼體設計可以用于各種工業現場(通過國家防爆認證)
配聲光報警器可以實現在防爆區域聲光報警。
配各種液位計、溫度計、壓力流量計、密度計、儀表增加開關量功能,
在原有的4-20mA增加開關量信號輸出功能達到控制泵、閥、風機、關停、開啟等功能。
可以直接安裝在防爆區域
精 度:0.1%
傳輸方式:4-20mA變開關量
報警功能:可以設置報警點,低于下限或高于上限報警
修正功能:顯示量程及小數點修正功能
環境溫度:-45℃~80℃
防護等級:IP66
防爆標志:ExdIICT6 Gb
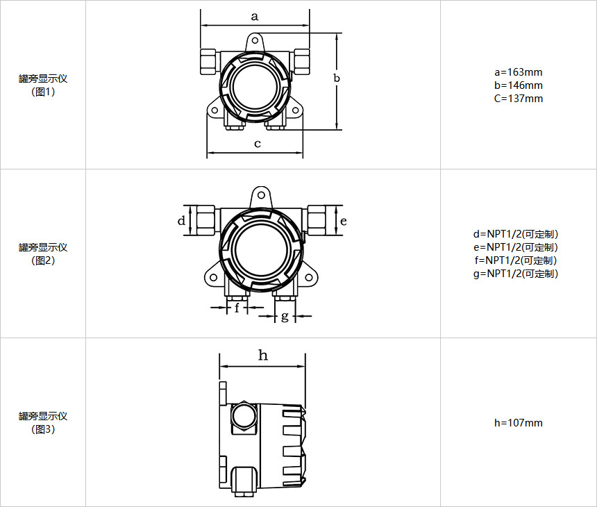
電氣接口:M20×1.5、NPT1/2、NPT3/4
顯示內容:百分比顯示
設置方式:按鍵設置 LED顯示三位數碼管顯示
顯示方式:修正功能:帶調節修正功能
防護等級:IP66




上一篇:GKYWG-60XⅢ罐旁顯示儀